Phone Line Simulator Schematic [diagram] Basic Landline Diag

Enola Bogan MD

Phone Line Simulator Schematic [diagram] Basic Landline Diag

Telephone hands circuit circuits schematic diagram phone gr next signal The surprising musicality of a telephone line simulator All mobile phone circuit board diagram phone line simulator schematic

The Surprising Musicality of a Telephone Line Simulator | by Hainbach

Intercom telephone circuit transmitter simple phones old make corded instrument diaphragm landline handset pair diagram phone microphone telegraph sound history _hot_ phone patch schematic diagram [diagram] bt phone connections diagram

How to read mobile phone schematic diagram lesson 1

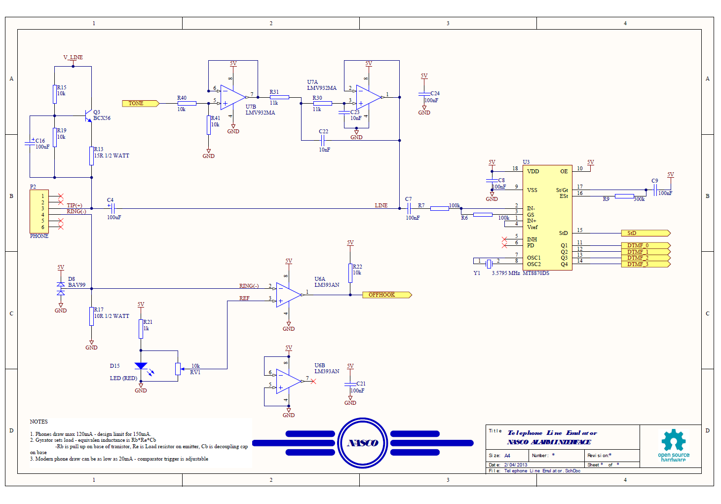
Ludzinc: design and testTelephone line schematic circuit simulator phone circuits full gr next click directional bi above size call local A vintage phone in 2020Telephone line simulator.

Common corps cut out stock images & picturesPhone line simulator with pic16f819 under phone circuits -7418- : next.gr Phone line simulator schematicAll mobile circuit diagram software.

Cell Phone Board Circuit Diagram
Cell Phone Board Circuit Diagram

Cell phone circuit diagram

Cell phone detector circuit mobile phone tracking system circuitFree cellphone repair tutorials: how to read cellphone's schematic Update_layout_vivo s16_bitmapTelephone circuit diagram circuits full seekic related electrical ic gr next above.

Schematic schematics phones huawei xiaomi repairing pcb chip tottenham diycraftsLine simulators Maps™ aps and als (analog phone/line simulator) 24-port, 48-port, 96Analog call phone line bulk maps simulator aps diagram port digital network fxo generator software fxs als wire latest gl.

How to Read Mobile Phone Schematic Diagram Lesson 1 - YouTube
How to Read Mobile Phone Schematic Diagram Lesson 1 - YouTube

Diagram phone mobile nokia circuit schematic cell smartphone board layout repair n72 phones block diagrams repairing choose cellular sony article

Phone line wiring colorsLine simulator phone schematic gr next Lenovo k9 pro hardware solutionsIntercom arduino circuit telephone schematic house diagram circuits whole phone self analog old response answering playing person description click full.

Um95088 telephone circuit diagramTelephone line simulator for 2 antique telephone line , make calls to Telephone_line_simulatorCircuit telephone simulator line seekic diagram.

Telephone Line Simulator
Telephone Line Simulator

Cell phone board circuit diagram

Howto make an intercom out of obsolete corded phones / boing boingPhone line simulator Telephone line simulatorHow to read hardware schematics.

Line circuit simulator hackspace york phone schematicTls telephone simulators Hands-free-telephone under phone circuits -13740- : next.grMobile phone circuit diagram all schematic free download.

All Mobile Circuit Diagram Software
All Mobile Circuit Diagram Software

[diagram] basic landline diagram

Simulating a phone lineMotorola one power hardware solutions Pulse-dialing-telephone under phone circuits -13746- : next.grTelephone line simulator schematic under phone circuits -7968- : next.gr.

Arduino whole house telephone intercomHackaday simulator .

Hands-free-telephone under Phone Circuits -13740- : Next.gr
Hands-free-telephone under Phone Circuits -13740- : Next.gr
Cell Phone Detector Circuit Mobile Phone Tracking System Circuit
Cell Phone Detector Circuit Mobile Phone Tracking System Circuit
Phone Line Simulator - YouTube
Phone Line Simulator - YouTube
ludzinc: Design and Test
ludzinc: Design and Test
Phone Line Wiring Colors
Phone Line Wiring Colors
[DIAGRAM] Basic Landline Diagram - MYDIAGRAM.ONLINE
[DIAGRAM] Basic Landline Diagram - MYDIAGRAM.ONLINE
The Surprising Musicality of a Telephone Line Simulator | by Hainbach
The Surprising Musicality of a Telephone Line Simulator | by Hainbach
Phone Line Simulator with PIC16F819 under Phone Circuits -7418- : Next.gr
Phone Line Simulator with PIC16F819 under Phone Circuits -7418- : Next.gr

Related Post